+7 (495) 777-17-71
info@tool-tech.ru
8 (800) 775 40 55
Звонок из регионов России
бесплатный!
бесплатный!
Профессиональный строительный инструмент и оборудование
Каталог инструментов
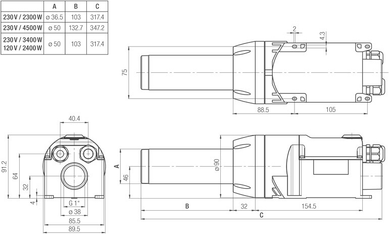
Фен промышленный Leister Mistral 6 Premium
Фен промышленный Leister Mistral 6 Premium (Ляйстер Мистраль 6 Премиум) – компактный и мощный тепловентилятор, в котором объединены вентилятор и воздухонагреватель, незаменим на объектах, где для монтажа отдельного вентилятора недостаточно места. Широко применяется в разных областях промышленности для выполнения таких задач, как: сушка, формовка, термоусадка, каширование, ламинация, активация клея и т.д.
Производитель: LEISTER (ЛЯЙСТЕР) – Швейцария.
Преимущества фена промышленного Leister Mistral 6 Premium:
- Многоцелевое назначение и надежность: подходит для решения различных задач, может использоваться как ручной сварочный термофен или встраиваться в технологическое оборудование
- Быстрый и точно контролируемый обдув горячим воздухом
- Бесщеточный двигатель вентилятора, не требующий технического обслуживания, для беспрерывной эксплуатации
- Интегрированная силовая электроника
- Тепловая мощность плавно регулируется при помощи потенциометра
- Защита от нагревания деталей и перегрева устройства
- Переключатель для потенциометра (внутренний / внешний)
- Возможность отдельного подключение цепи питания вентилятора и блока нагрева
- Высокое качество сборки
| Изображение | Артикул | Наименование |
| 107.254 | Фланцевая насадка, насаживается, a = 70 мм | |
| 122.332 | Адаптер, насаживается, a = Ø 50 мм на b = Ø 62 мм | |
| 122.924 | Адаптер, насаживается, a = Ø 50 мм на b = Ø 37 мм | |
| 107.255 | Трубная удлиняющая насадка, насаживается, a × b: 160 × 36,5 мм | |
| 105.950 | Трубная насадка, насаживается, a × b × c: 460 × 300 × 2 мм | |
| 107.257 | Трубная насадка, насаживается, a × b × c: 590 × 420 × 1,47 мм | |
| 105.955 | Трубная насадка, насаживается, a × b × c: 836 × 660 × 1 мм | |
| 105.952 | Трубная насадка, насаживается, a × b × c: 900 × 800 × 0,9 мм | |
| 107.256 | Угловая насадка, насаживается, Ø 50 мм, длина колен a × b: 160 × 100 мм | |
| 105.961 | Широкая щелевая насадка, насаживается, длина 350 мм, a × b: 45 × 12 мм | |
| 107.258 | Широкая щелевая насадка, насаживается, длина 350 мм, a × b: 70 × 10 мм | |
| 106.057 | Широкая щелевая насадка, насаживается, a × b: 100 × 4 мм | |
| 106.060 | Широкая щелевая насадка, насаживается, a × b: 150 × 6 мм | |
| 107.270 | Широкая щелевая насадка, насаживается, a × b: 150 × 12 мм | |
| 106.061 | Широкая щелевая насадка, насаживается, a × b: 300 × 6 мм | |
| 107.331 | Створчатая рефлекторная насадка, насаживается, d × b: 70 × 70 мм | |
| 107.340 | Рефлекторная тоннельная насадка, насаживается, a × b: 45 × 250 мм | |
| 107.327 | Решетчатая рефлекторная насадка, насаживается, a × b: 70 × 75 мм | |
| 107.333 | Решетчатая рефлекторная насадка, насаживается, a × b: 130 × 150 мм | |
| 107.330 | Створчатая рефлекторная насадка, насаживается, d × b: 125 × 22 мм | |
| 106.127 | Решетчатая рефлекторная насадка "душ", насаживается, Ø 65 мм | |
| 106.956 | Температурный зонд со штекером, кабель 1 м | |
| 106.958 | Удлинительный кабель со штекерами для температурного зонда, 2 м | |
| 106.960 | Удлинительный кабель со штекерами для температурного зонда, 4 м | |
| 106.962 | Удлинительный кабель со штекерами для температурного зонда, 10 м | |
| 148.812 | Внешний аналоговый потенциометр 10 кОм с сигнальным кабелем 3 м |
Цена и технические характеристики фена промышленного Leister Mistral 6 Premium:
Технический паяльный фен
-
Электромуфтовый сварочный аппарат Ritmo Elektra XLДиаметр труб: 20 - 1600 ммМатериал труб: ПНД, ПП, ПП-РЦена: 251 100 руб.
-
Двойная роликовая насадка для трубных опор Remmers Atlant 1/8-12, 2 шт.Диаметр открытой части роликов: 18 ммВес: 1,84 кгЦена: 5 400 руб.
-
Алмазная коронка для сухого бурения с микроударом Адель Diamond Hit DH-D400 76 ммДиаметр: 76 ммРабочая длина: 450 ммЦена: 8 600 руб.
-
Универсальный складной трубный верстак-тренога с цепными тисками Remmers Tristand 1/8-6Диаметр труб: 3 - 150 мм (1/8" - 6")Нагрузка: 600 кгЦена: 33 990 руб.
-
Алмазные коронки по железобетону Kern Diamond Bit Concrete Premium 152 ммДиаметр: 152 ммРабочая длина: 450 ммЦена: 17 400 руб.
-
Двойная муниципальная спираль с Т-образными замками для прочистки канализации Crocodile DC 32 / 16 мм × 3 мДиаметр: 32 / 16 ммДлина: 3 мЦена: 8 757 руб.
-
Трубогиб электрический гидравлический Kern до 2Диаметр труб: 1/2" - 2"Мощность: 0,75 кВтЦена: 163 478 руб.
-
Коронка алмазная по бетону Golden Dragon М22 63/370 ммДиаметр: 63 ммРабочая длина: 300 ммЦена: 1 990 руб.
Новости
-
26.11.2025Новые поступления для серьёзной работы: спираль и адаптер от Crocodile
-
21.11.2024Поступление желобонакатчиков GruvMaster - Новинка на Российском рынке!
-
27.12.2023С новым 2024 годом!
-
20.12.2022Режим работы в Новогодние праздники
-
12.10.2022ФСБ сообщила о попытке теракта с ПЗРК «Игла» в Подмосковье




Отзывы
Оставьте Ваш отзыв